傳丰堂普洱茶葉

【茶益堂】喝茶,都喝了什麼?了解茶葉中的化學成分

入門文章 Jenny 2025.08.22

我們日常中喝的茶,不只是給我們小確幸的一杯飲品,從微觀的角度來看,其為蘊含了數百種天然化學物質的葉子,從基礎構成到健康功效,這次的【茶益堂】將帶您深入認識茶葉的化學世界,並學會如何正確解讀茶葉的檢測報告,做出更安心與專業的選擇。
什麼是茶葉?從化學與生物的角度認識它從生物化學的角度來看,茶葉是一組由各種生化反應所產生的天然化學成分集合體。新鮮的茶葉中,大約 75%~78% 是水分,其餘 22%~25% 是乾物質。因此,一斤乾茶約需四斤新鮮葉子製作而成。
在這些乾物質中,93%~96.5% 為有機物,如蛋白質、糖類、多酚類、類酯等;其餘 3.5%~7% 是無機物,主要包括礦物質和微量元素。
截至目前,研究已經在茶葉中分離鑑定出超過 700 種化學化合物,包含基礎的營養成分,也有大量與茶香與口感密切相關的特殊化合物。從四個層面理解茶葉成分要理解這麼多種茶葉成分,我們可從「產量成分、品質、營養、功效」四個層面進行逐步理解,一步一步理解茶的組成,了解這些成分對我們品茶飲茶有什麼作用,能讓我們更懂茶,也能在未來選茶時更有方向。
1. 產量成分:構成茶葉重量的主體所謂產量成分,是指構成茶葉乾物質「大宗重量」的核心物質。如同先前提及的茶葉的化學組成部分,一片茶葉乾物質成分主要是三大自然物質(蛋白質、糖類、酯類)加茶多酚。這四種成分合計超過乾物質的 90%,是茶葉的物質基礎,影響了製茶的產量與加工可行性。
2. 品質成分:影響茶葉色香味的關鍵物質品質成分決定了茶葉的風味與外觀,尤其是色澤、香氣與滋味。許多愛茶茶友與茶葉專家認為茶葉的品質成分主要有水分、氨基酸、茶多酚、咖啡鹼、水浸出物以及粗纖維。其中:
- 茶多酚:主要為幾類兒茶素、葉綠素、胡蘿蔔素。影響茶葉色澤,決定澀味,紅茶中會轉化為茶紅素、茶黃素等色素- 氨基酸(如茶氨酸):帶來鮮爽甘甜感- 咖啡鹼:提供提神效果與苦味- 芳香物質:產生茶香,在鮮葉中有87種、綠茶中有260多種、紅茶中已發現 400 多種
茶葉的品質好壞,並不取決於單一成分的含量多寡,而是這些成分之間的比例平衡與協同作用。好的茶不僅「重」,更要「好看、好聞、好喝」。
3. 營養成分:人體可吸收的營養補充來源從營養成分角度理解,七大食品營養素(水、碳水化合物、蛋白質、脂肪、維生素、礦物質與膳食纖維)以及六大人體必需營養素,茶葉均含有。因此從某個方面來解釋,茶葉可以說很營養健康,但需要注意的是喝茶本身並無法提供足夠的能量或作為主食來源。
4. 功效成分:促進健康的活性物質那茶葉對我們人體來說有多營養呢?從功效成分方面來看,茶之所以被視為健康飲品,是因為含有許多具有生理調節功能的化合物,這些功效成分可透過活化酵素、調整代謝或神經系統而發揮作用。
主要功效成分包括:
- 茶多酚:具抗氧化、抗發炎與降血脂等功能- 咖啡鹼:提神醒腦、促進代謝- 茶氨酸:可幫助放鬆神經、改善睡眠品質- 茶多醣:潛在的降血糖與免疫調節作用
這些成分在現代茶健康研究中被廣泛應用於功能性飲品與保健食品開發。
如何看懂茶葉檢測報告?你該注意的重點當你購買茶葉時,若能看到完整的檢測報告,將有助於了解茶的品質與安全性。但該如何閱讀這些報告呢?以下為幾項關鍵指標與解讀方式:
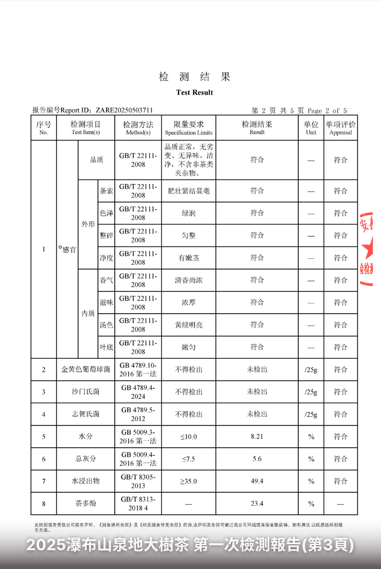
以下為一份實際檢測報告:傳丰堂2025瀑布山泉地大樹茶第一次檢測報告:
通過該檢測報告,可以看出水浸出物高達49.4%,表示經過沖泡能夠浸出近一半的營養物質,合格的要求為35%,此茶數值非常優秀,茶多酚也高達23.4%;此外,其他如大腸桿菌、金黃色葡萄球菌、沙門氏菌及其他農藥殘留均符合標準或未檢出。若購茶、品茶、藏茶前能夠通過檢測報告了解該茶品,能夠更安心品飲。反之,如果飲用的茶品含有許多有害物質,健康好處或不抵其負面效果。
理解茶成分,才能喝得安心又享受茶葉不只是感官享受,更是一門科學。從基礎的糖、蛋白質,到功能性的多酚、氨基酸,每一片茶葉都蘊藏著豐富的故事與科學邏輯。學會閱讀茶葉成分與檢測報告,不只能幫你選出高品質的茶,也讓你的飲茶習慣更安心、更有深度。

回應 ()

我要留言